收藏富邦仪城
[登录]
[注册]
我的富邦仪城
|
我的订单
|
客户服务
|
微信公众账号
|
全国统一订购热线:
/
客户服务
帮助中心
售后服务
客服中心
微信公众账号
我的富邦仪城
您好,请
登录
我的收藏
我的积分
我的足迹
我的评价
我的预置订单
最近浏览的商品:
查看浏览历史 >>
全部分类
行业专用仪器
通用仪器
实验室器皿
试剂、标物
仪器配件、耗材
0
我的购物车
全部商品分类
行业专用仪器
石油化工
农业食品
环境保护
应急安保
石油化工
油品闪点测试仪
油品燃点测试仪
油品倾点/凝点测试仪
油品运动粘度测定
油品密度测定仪
蒸馏仪
油品低温测定仪
油品硫/氯/氮/水等成分分析
抗乳化性能试验仪
针入度试验仪
氧化安定性测定仪
铜片腐蚀试验仪
油品色度测试仪
润滑油/脂物性测试仪
沥青产品专用测试仪
燃油专用测试仪
其它油品分析仪
农业食品
环境保护
应急安保
其他专用
洗消设备
品牌推荐
通用仪器
天平衡器
水质分析
光学仪器
天平衡器
电子天平
分析天平
精密天平
微量天平
静水天平
架盘(托盘)天平
台秤
密度/比重天平
纺织天平
水质分析
水分测定仪
总固溶物
菌落计数器
其他检测仪
TOC测定仪
电位滴定仪
控制器 、变送器
测试笔
水质硬度计
PH计
电导率仪
钠离子计
离子计
浊度仪
COD测定仪
BOD测定仪
消解仪
溶解氧测定仪
余氯测定仪
硅表
磷表
氨氮测定仪
总氮测定仪
水中油测定仪
水质重金属
光学仪器
荧光分光光度计
超微量分光光度计
可见分光光度计
紫外可见分光光度计
旋光仪
折光仪
显微镜
物性检测
粗糙度仪
万能试验机
冲击试验机
试验箱
测温仪
压力计
粘度仪
硬度计
推拉力计
扭力测试仪
测厚仪
测距仪
探伤仪
气体检测仪
其他
氢气检测仪
臭氧检测仪
氯气检测仪
氧气检测仪
一氧化碳检测仪
二氧化碳检测仪
一氧化氮检测仪
二氧化氮检测仪
二氧化硫检测仪
硫化氢检测仪
氯化氢检测仪
磷化氢检测仪
氨气检测仪
可燃气体检测仪
呼吸式酒精检测仪
制冷剂泄漏检测仪
万用气体检测仪
加热设备
电阻炉
恒温槽
加湿器
恒温箱
恒温干燥箱
真空干燥箱
鼓风干燥箱
电热干燥箱
除湿机
马弗炉
电热板
恒温浴
金属浴/干式恒温器
电热套
培养箱
二氧化碳培养箱
光照培养箱
光照、人工培养箱
人工气候箱
恒温培养摇床
果蝇培养箱
生化培养箱
恒温培养箱
恒温恒湿箱
泵
真空泵
震荡、混合、分离
摇瓶机
提取设备
恒温振荡器
水浴振荡器
调速振荡器
垂直振荡器
搅拌器
离心机
混合器
均质器
匀浆机
分散机
过滤器
清洗、消毒、纯化设备
超声波清洗器
洗瓶机
灭菌器
热空气消毒箱
本生灯
蒸馏水器
纯水仪
制冷设备
防爆冷柜
冷藏箱
冷却循环水机
制冰机
气体发生器
氮空一体机
氧气发生器
空气发生器
氢气发生器
氮气发生器
氢空一体机
氮氢空一体机
空气压缩机
样品处理设备
切割机
压片机
磨抛机
球磨/研磨机
筛分机
粉碎机
破碎机
采样器
移液器
瓶口分液器
品牌推荐
实验室器皿
烧器类
量器类
蒸馏类
过滤类
烧器类
刚玉舟
燃烧船
烧杯
烧瓶
量器类
红水表
糖度计
密度计
压力计
烘箱表
导电表
量筒
量杯
容量瓶
移液管
滴定管
比重瓶
温度计
湿度计
温湿度计
比重计
蒸馏类
蒸馏烧瓶
冷凝管
分馏烧瓶
浓缩器
其他接头
过滤类
抽滤瓶
过滤球
漏斗
过滤坩埚
干燥管
容器类
样品瓶
龙头瓶
种子瓶
标本瓶、标本缸
试管
化验槽
称量瓶
滴瓶
试剂瓶
培养瓶
培养皿
比色皿
比色管
离心管
吸收管
集气瓶
下口瓶
水准瓶
干燥器
干燥塔
棉纱缸
菌种瓶
研钵
层析缸
配件类
听力防护
乳钵
搅拌桨
头部防护
试管架
比色管架
漏斗架
三角架
铁架台
滴定台
万能夹
试管夹
铁单环
坩埚钳
消毒筐
石棉网
载玻片
盖玻片
表面皿
磁力搅拌子
脱脂棉
坩埚
纱布
称量纸
滤纸
试纸
吸头
吸管/胶帽
洗瓶
镊子
药匙
胶塞
清洗刷
洗耳球
手套
其他配件
分子筛
口罩
防护眼镜
品牌推荐
试剂、标物
试剂
标物
试剂
有机试剂
无机试剂
HPLC溶剂
生化试剂
环保试剂
GC标样
分析试剂
标物
无机溶液标准物质/标准品
有机溶液标准物质/标准品
ICP-MS/ICP校准标准液
原子吸收光谱仪标准液
火焰光度计法标准液
比色计专用标准液
分光光度法标准液
TOC标准液
COD BOD标准液
折射率标准液
电导率标准液及电解液
PH缓冲液
离子选择性电极标准液
冰点标准品
密度标准液
粘度标准液
糖度标准液
其它标准物质/标准品
品牌推荐
仪器配件、耗材
油品仪器配件
色谱仪器配件
光谱仪器配件
质谱仪器配件
油品仪器配件
博瑞特
富邦仪城
赛默飞
江汉仪表
荷兰TE
上虞飞达
马尔文
Fann
大连北方
时代新维
金欧科
无锡石仪
大连特安
江苏科苑
安东帕AntonPaar
安捷伦
梅特勒
环球
大连石油仪器
英国PARKER
耶拿
上海昌吉
AC
美国EMCEE
phase
力源盛达
三泵科森
美格尔
美国Antek
海尔潮
斯派超
其他
海安华达
劳达LAUDA
PAC
SGE
瑞士VICI
津市
上海晶跃
大连远东兴
PCS
Waukesha
DECKMA
SETA
HORIBA
江苏江分
德国ZWICK
XOS
德国Petrotest
瑞士万通
色谱仪器配件
博瑞特
兴运科诺
惠斯通
GS-TEK
爱吉仁
哈迈
科瑞迈
富邦仪城
岛津
上海欧尼
沃特Waters
布鲁克
安捷伦
PAC
赛默飞
美国热电
瓦里安
瑞士万通
美国CDS
PeterPaul
世伟洛克
耶拿
西门子
泰灵佳
北京高麦克
AC
津市
日本东曹
北分索思
北京华普
其他
美国PE
普立泰科
上海科创
上海天美
光谱仪器配件
富邦仪城
岛津
日立
北京海港仪器
斯派超
美国PE
吉林北光
上海精科
瓦里安
美国热电
哈希
北夏科技
上海藐勋
德国Montech
泊菲莱
秋龙仪器
开元仪器
西门子
赛默飞
科创海光
上海北裕
德国斯派克
北京海光
布鲁克
吉天仪器
上海元析
耶拿
质谱仪器配件
赛默飞
美国热电
环境检测仪器配件
富邦仪城
雷磁
瑞士万通
耶拿
德图Testo
武汉天虹
广州昭华
英国KANE
立升
中惠仪器
梅特勒
安东帕AntonPaar
德国元素Elementar
崂山电子
科迪博电子
国营红声
杭州爱华
美国千德乐
上海仪电
法国依拉勃
美国科诺
纽迈科技
天津泰斯特
华晨仪器
哈希
时代新维
上海精密
大连特安
德国DECHEM
岛津
MSA梅思安
英国密析尔MICHELL
华科仪
吉林北光
连华永兴
上海天美
英国BWB
英国肖氏
德国SEAL
德国益康RBR
美国Teledyne
凯恩孚
成都连华
中慧天诚
默克密理博
赛多利斯
HORIBA
赛默飞
其他
力可LECO
勘探开发仪器配件
富邦仪城
无锡石仪
其他通用仪器配件
富邦仪城
博瑞特
兴运科诺
梅颖浦
成都气海
巴罗克
方野科技
智航科教
百运科技
金孚伦
哈尔滨最一特
日置
福禄克
北京康斯特
永安兴业
蔡司
Fann
江汉仪表
浙江南光
滨江医疗
大连科茂
海安
上海新苗
IKA
上海仪表集团
默克密理博
优莱博JULABO
大连特安
三力士
上海一恒
昆山超声
世伟洛克
百科教学仪器
美国OFITE
林德科技
施都凯
梅特勒
哈希
布莱迪
飞策防爆
常州金分
罗斯蒙特
艾默生
巩义予华
时代新维
永光明医疗
赛默飞
其他
奥豪斯OHAUS
杰比科技
品牌推荐
二手仪器
品牌推荐
行业专用仪器
石油化工
农业食品
环境保护
应急安保
通用仪器
天平衡器
水质分析
光学仪器
实验室器皿
烧器类
量器类
蒸馏类
过滤类
试剂、标物
试剂
标物
仪器配件、耗材
油品仪器配件
色谱仪器配件
光谱仪器配件
质谱仪器配件
二手仪器
首页
限时特卖
品牌专区
积分商城
信息资讯
下载中心
富邦社区
首页
>
通用仪器
>
泵
>
真空泵
收藏宝贝(0)
加入对比
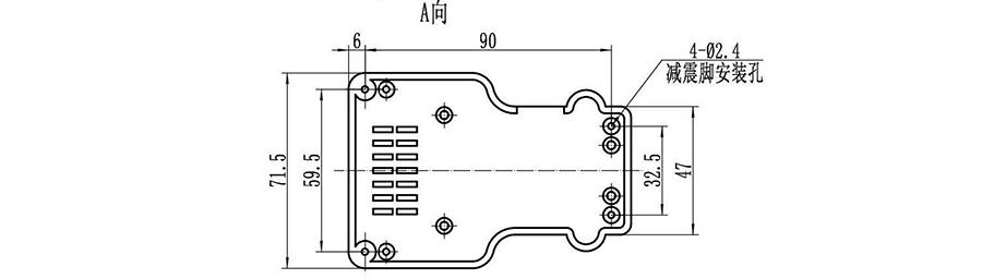
成都气海机电 WJY1802 微型真空水泵
商品编码:
10006658
成都气海机电
商 城 价:
请点击下方询价
货 期:
帮助说明
选择型号:
WJY1802
WJY2703
购买数量:
您选择的商品库存
100
件
温馨提示:
支持7天无理由退货
看了又看
相关品牌
德国Wiggens
密理博
台湾洛科
销量排行
关注排行
1
天津津腾 实验室用 无油真空泵 津腾GM-0.33A(无油)防腐型
1
天津津腾 实验室用 无油真空泵 津腾GM-0.33A(无油)防腐型
已有1人购买
2
西安禾普 立式循环水真空泵 SHZ-CB
2
西安禾普 立式循环水真空泵 SHZ-CB
已有0人购买
3
西安禾普 立式循环水真空泵 SHZ-95B 防腐
3
西安禾普 立式循环水真空泵 SHZ-95B 防腐
已有0人购买
4
西安禾普 立式循环水真空泵 SHZ-95B 不锈钢
4
西安禾普 立式循环水真空泵 SHZ-95B 不锈钢
已有0人购买
5
西安禾普 立式循环水真空泵 SHZ-C
5
西安禾普 立式循环水真空泵 SHZ-C
已有0人购买
6
西安禾普 立式循环水真空泵 SHZ-CD
6
西安禾普 立式循环水真空泵 SHZ-CD
已有0人购买
7
西安禾普 立式循环水真空泵 SHZ-200
7
西安禾普 立式循环水真空泵 SHZ-200
已有0人购买
8
西安禾普 台式循环水真空泵 SHZ-DⅢ
8
西安禾普 台式循环水真空泵 SHZ-DⅢ
已有0人购买
9
西安禾普 台式循环水真空泵 SHZ-DⅢ 透明水箱
9
西安禾普 台式循环水真空泵 SHZ-DⅢ 透明水箱
已有0人购买
10
西安禾普 台式循环水真空泵 SHZ-DⅢ 不锈钢水箱
10
西安禾普 台式循环水真空泵 SHZ-DⅢ 不锈钢水箱
已有0人购买
1
密理博Millipore 真空泵/压力泵( Chemical duty泵) 37L/min
1
密理博Millipore 真空泵/压力泵( Chemical duty泵) 37L/min
已有2488人浏览
2
天津津腾 GM-1.0A实验室无油隔膜真空泵 真空抽滤/蒸馏/吸附/
2
天津津腾 GM-1.0A实验室无油隔膜真空泵 真空抽滤/蒸馏/吸附/
已有2077人浏览
3
天津津腾 GM-1.0A实验室无油隔膜真空泵 防腐型 真空抽滤/蒸
3
天津津腾 GM-1.0A实验室无油隔膜真空泵 防腐型 真空抽滤/蒸
已有1983人浏览
4
成都气海机电 VAJ681.4 微型真空泵
4
成都气海机电 VAJ681.4 微型真空泵
已有1899人浏览
5
德国Wiggens 防腐蚀隔膜真空泵 C510
5
德国Wiggens 防腐蚀隔膜真空泵 C510
已有1725人浏览
6
台湾洛科 无油式真空泵 D400
6
台湾洛科 无油式真空泵 D400
已有1455人浏览
7
台湾洛科 无油式真空泵防腐蚀 C410
7
台湾洛科 无油式真空泵防腐蚀 C410
已有1402人浏览
8
德国Wiggens 无油真空泵 V300DC
8
德国Wiggens 无油真空泵 V300DC
已有1360人浏览
9
天津恒奥 无油真空泵 HP-25A
9
天津恒奥 无油真空泵 HP-25A
已有1347人浏览
10
天津津腾 实验室用 无油真空泵 津腾GM-0.33A(无油)防腐型
10
天津津腾 实验室用 无油真空泵 津腾GM-0.33A(无油)防腐型
已有1347人浏览
商品详情
规格参数
包装清单
用户评价
(0)
售后服务
相关文档
商品名称:成都气海机电 WJY1802 微型真空水泵
商品编号:10006658
上架时间:2017/11/20 0:00:00
商品毛重:20.00kg
商品产地:中国
商品型号:WJY1802
作真空泵时-平均流量(L/min)
1.6
作真空泵时-相对真空度(KPa)
-18
作真空泵时-电流(MA)
<500
作真空泵时-电压(V DC)
24
做水泵时-抽水流量(L/MIN)
2
做水泵时-电流(MA)
<550
做水泵时-电压(V DC)
24
主机
商品评论
10
分
您可对已购商品进行评价
积分规则
全部(0)
满意(0)
一般(0)
不满意(0)
猜你喜欢
换一批
昆山洁力美 单槽式旋钮超声波清洗器 KS-1000
已有0人购买
坛墨质检 二硫化碳中7种苯系物标准品混标(7种VOC标准品混标),GB-T
已有0人购买
坛墨质检 正己烷中二硫化碳标准品,有证书 5000ug/ml
已有0人购买
常州丹瑞 纯水制造仪 SJ-10C
已有0人购买
北京海岸鸿蒙 二硫化碳中7种苯系物混标(苯、甲苯、乙苯、邻二甲苯、
已有0人购买
五孔高频瓷接头21*19*15
已有0人购买
唐山盛兴 黑反应板 12孔 包装数量:100块
已有0人购买
坛墨质检 锑标准溶液(20%硝酸,3%盐酸)有证书 1000μg/ml
已有0人购买
天津精科 电热鼓风干燥箱 FX101-1
已有0人购买
坛墨质检 人参皂苷Rg1,对照品 ≥98% 20mg
已有0人购买
上海岛津 Rtx®-VGC 气相色谱柱 内径:0.53mm,膜厚:3.00μm,柱长
已有0人购买
东方天净 全方位四罐行星式高能球磨机 TJQW-20L
已有0人购买
爱尔兰Reagecon 水中硝酸铵溶液
已有0人购买
可溶性还原红1 Vat Red 1 CAS 3875-72-7
已有0人购买
坛墨质检 棕榈酸,对照品 ≥98% 20mg
已有0人购买
购物指南
购物流程
预置订单
积分规则
会员等级
支付方式
货到付款
支付宝
银联在线支付
账期支付
关于配送
配送方式
货期说明
配送范围及时间
验货与签收说明
售后服务
退换货政策
退换货流程
退款说明
特色服务
产品批量采购
二手仪器
客服中心
信息资讯收费政策
购物车
我的关注
我的足迹
产品类型
购买咨询
技术支持
售后服务
温馨提示
添加成功
*
姓 名:
请输入姓名
公司名称:
*
联系方式:
联系方式
询价标题:
询价说明:
对比栏
隐藏
<
>
载入中...