收藏富邦仪城
[登录]
[注册]
我的富邦仪城
|
我的订单
|
客户服务
|
微信公众账号
|
全国统一订购热线:
/
客户服务
帮助中心
售后服务
客服中心
微信公众账号
我的富邦仪城
您好,请
登录
我的收藏
我的积分
我的足迹
我的评价
我的预置订单
最近浏览的商品:
查看浏览历史 >>
全部分类
行业专用仪器
通用仪器
实验室器皿
试剂、标物
仪器配件、耗材
0
我的购物车
全部商品分类
行业专用仪器
石油化工
农业食品
环境保护
应急安保
石油化工
油品闪点测试仪
油品燃点测试仪
油品倾点/凝点测试仪
油品运动粘度测定
油品密度测定仪
蒸馏仪
油品低温测定仪
油品硫/氯/氮/水等成分分析
抗乳化性能试验仪
针入度试验仪
氧化安定性测定仪
铜片腐蚀试验仪
油品色度测试仪
润滑油/脂物性测试仪
沥青产品专用测试仪
燃油专用测试仪
其它油品分析仪
农业食品
环境保护
应急安保
其他专用
洗消设备
品牌推荐
通用仪器
天平衡器
水质分析
光学仪器
天平衡器
电子天平
分析天平
精密天平
微量天平
静水天平
架盘(托盘)天平
台秤
密度/比重天平
纺织天平
水质分析
水分测定仪
总固溶物
菌落计数器
其他检测仪
TOC测定仪
电位滴定仪
控制器 、变送器
测试笔
水质硬度计
PH计
电导率仪
钠离子计
离子计
浊度仪
COD测定仪
BOD测定仪
消解仪
溶解氧测定仪
余氯测定仪
硅表
磷表
氨氮测定仪
总氮测定仪
水中油测定仪
水质重金属
光学仪器
荧光分光光度计
超微量分光光度计
可见分光光度计
紫外可见分光光度计
旋光仪
折光仪
显微镜
物性检测
粗糙度仪
万能试验机
冲击试验机
试验箱
测温仪
压力计
粘度仪
硬度计
推拉力计
扭力测试仪
测厚仪
测距仪
探伤仪
气体检测仪
其他
氢气检测仪
臭氧检测仪
氯气检测仪
氧气检测仪
一氧化碳检测仪
二氧化碳检测仪
一氧化氮检测仪
二氧化氮检测仪
二氧化硫检测仪
硫化氢检测仪
氯化氢检测仪
磷化氢检测仪
氨气检测仪
可燃气体检测仪
呼吸式酒精检测仪
制冷剂泄漏检测仪
万用气体检测仪
加热设备
电阻炉
恒温槽
加湿器
恒温箱
恒温干燥箱
真空干燥箱
鼓风干燥箱
电热干燥箱
除湿机
马弗炉
电热板
恒温浴
金属浴/干式恒温器
电热套
培养箱
二氧化碳培养箱
光照培养箱
光照、人工培养箱
人工气候箱
恒温培养摇床
果蝇培养箱
生化培养箱
恒温培养箱
恒温恒湿箱
泵
真空泵
震荡、混合、分离
摇瓶机
提取设备
恒温振荡器
水浴振荡器
调速振荡器
垂直振荡器
搅拌器
离心机
混合器
均质器
匀浆机
分散机
过滤器
清洗、消毒、纯化设备
超声波清洗器
洗瓶机
灭菌器
热空气消毒箱
本生灯
蒸馏水器
纯水仪
制冷设备
防爆冷柜
冷藏箱
冷却循环水机
制冰机
气体发生器
氮空一体机
氧气发生器
空气发生器
氢气发生器
氮气发生器
氢空一体机
氮氢空一体机
空气压缩机
样品处理设备
切割机
压片机
磨抛机
球磨/研磨机
筛分机
粉碎机
破碎机
采样器
移液器
瓶口分液器
品牌推荐
实验室器皿
烧器类
量器类
蒸馏类
过滤类
烧器类
刚玉舟
燃烧船
烧杯
烧瓶
量器类
红水表
糖度计
密度计
压力计
烘箱表
导电表
量筒
量杯
容量瓶
移液管
滴定管
比重瓶
温度计
湿度计
温湿度计
比重计
蒸馏类
蒸馏烧瓶
冷凝管
分馏烧瓶
浓缩器
其他接头
过滤类
抽滤瓶
过滤球
漏斗
过滤坩埚
干燥管
容器类
样品瓶
龙头瓶
种子瓶
标本瓶、标本缸
试管
化验槽
称量瓶
滴瓶
试剂瓶
培养瓶
培养皿
比色皿
比色管
离心管
吸收管
集气瓶
下口瓶
水准瓶
干燥器
干燥塔
棉纱缸
菌种瓶
研钵
层析缸
配件类
听力防护
乳钵
搅拌桨
头部防护
试管架
比色管架
漏斗架
三角架
铁架台
滴定台
万能夹
试管夹
铁单环
坩埚钳
消毒筐
石棉网
载玻片
盖玻片
表面皿
磁力搅拌子
脱脂棉
坩埚
纱布
称量纸
滤纸
试纸
吸头
吸管/胶帽
洗瓶
镊子
药匙
胶塞
清洗刷
洗耳球
手套
其他配件
分子筛
口罩
防护眼镜
品牌推荐
试剂、标物
试剂
标物
试剂
有机试剂
无机试剂
HPLC溶剂
生化试剂
环保试剂
GC标样
分析试剂
标物
无机溶液标准物质/标准品
有机溶液标准物质/标准品
ICP-MS/ICP校准标准液
原子吸收光谱仪标准液
火焰光度计法标准液
比色计专用标准液
分光光度法标准液
TOC标准液
COD BOD标准液
折射率标准液
电导率标准液及电解液
PH缓冲液
离子选择性电极标准液
冰点标准品
密度标准液
粘度标准液
糖度标准液
其它标准物质/标准品
品牌推荐
仪器配件、耗材
油品仪器配件
色谱仪器配件
光谱仪器配件
质谱仪器配件
油品仪器配件
博瑞特
富邦仪城
赛默飞
江汉仪表
荷兰TE
上虞飞达
马尔文
Fann
大连北方
时代新维
金欧科
无锡石仪
大连特安
江苏科苑
安东帕AntonPaar
安捷伦
梅特勒
环球
大连石油仪器
英国PARKER
耶拿
上海昌吉
AC
美国EMCEE
phase
力源盛达
三泵科森
美格尔
美国Antek
海尔潮
斯派超
其他
海安华达
劳达LAUDA
PAC
SGE
瑞士VICI
津市
上海晶跃
大连远东兴
PCS
Waukesha
DECKMA
SETA
HORIBA
江苏江分
德国ZWICK
XOS
德国Petrotest
瑞士万通
色谱仪器配件
博瑞特
兴运科诺
惠斯通
GS-TEK
爱吉仁
哈迈
科瑞迈
富邦仪城
岛津
上海欧尼
沃特Waters
布鲁克
安捷伦
PAC
赛默飞
美国热电
瓦里安
瑞士万通
美国CDS
PeterPaul
世伟洛克
耶拿
西门子
泰灵佳
北京高麦克
AC
津市
日本东曹
北分索思
北京华普
其他
美国PE
普立泰科
上海科创
上海天美
光谱仪器配件
富邦仪城
岛津
日立
北京海港仪器
斯派超
美国PE
吉林北光
上海精科
瓦里安
美国热电
哈希
北夏科技
上海藐勋
德国Montech
泊菲莱
秋龙仪器
开元仪器
西门子
赛默飞
科创海光
上海北裕
德国斯派克
北京海光
布鲁克
吉天仪器
上海元析
耶拿
质谱仪器配件
赛默飞
美国热电
环境检测仪器配件
富邦仪城
雷磁
瑞士万通
耶拿
德图Testo
武汉天虹
广州昭华
英国KANE
立升
中惠仪器
梅特勒
安东帕AntonPaar
德国元素Elementar
崂山电子
科迪博电子
国营红声
杭州爱华
美国千德乐
上海仪电
法国依拉勃
美国科诺
纽迈科技
天津泰斯特
华晨仪器
哈希
时代新维
上海精密
大连特安
德国DECHEM
岛津
MSA梅思安
英国密析尔MICHELL
华科仪
吉林北光
连华永兴
上海天美
英国BWB
英国肖氏
德国SEAL
德国益康RBR
美国Teledyne
凯恩孚
成都连华
中慧天诚
默克密理博
赛多利斯
HORIBA
赛默飞
其他
力可LECO
勘探开发仪器配件
富邦仪城
无锡石仪
其他通用仪器配件
富邦仪城
博瑞特
兴运科诺
梅颖浦
成都气海
巴罗克
方野科技
智航科教
百运科技
金孚伦
哈尔滨最一特
日置
福禄克
北京康斯特
永安兴业
蔡司
Fann
江汉仪表
浙江南光
滨江医疗
大连科茂
海安
上海新苗
IKA
上海仪表集团
默克密理博
优莱博JULABO
大连特安
三力士
上海一恒
昆山超声
世伟洛克
百科教学仪器
美国OFITE
林德科技
施都凯
梅特勒
哈希
布莱迪
飞策防爆
常州金分
罗斯蒙特
艾默生
巩义予华
时代新维
永光明医疗
赛默飞
其他
奥豪斯OHAUS
杰比科技
品牌推荐
二手仪器
品牌推荐
行业专用仪器
石油化工
农业食品
环境保护
应急安保
通用仪器
天平衡器
水质分析
光学仪器
实验室器皿
烧器类
量器类
蒸馏类
过滤类
试剂、标物
试剂
标物
仪器配件、耗材
油品仪器配件
色谱仪器配件
光谱仪器配件
质谱仪器配件
二手仪器
首页
限时特卖
品牌专区
积分商城
信息资讯
下载中心
富邦社区
首页
>
通用仪器
>
光学仪器
>
显微镜
收藏宝贝(0)
加入对比
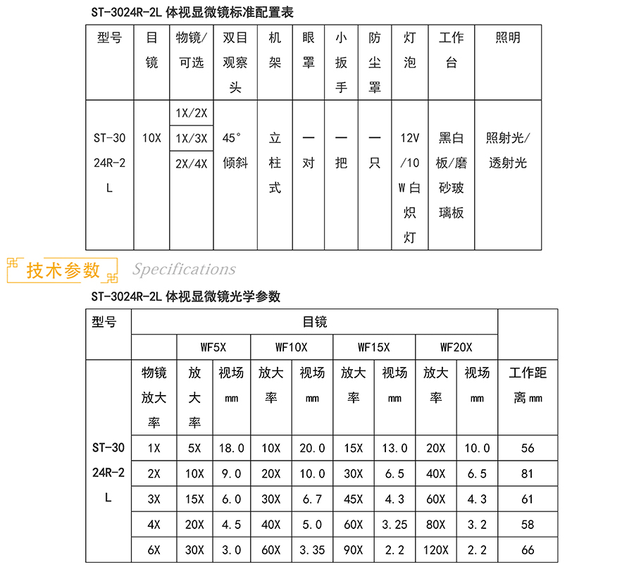
余姚大工仪器 ST-30系列体视显微镜 ST-3024R-2L
商品编码:
10008804
大工仪器
商 城 价:
请点击下方询价
货 期:
现货
帮助说明
选择型号:
ST-3024R-2L
购买数量:
您选择的商品库存
100
件
温馨提示:
支持7天无理由退货
看了又看
相关品牌
广州粤显
销量排行
关注排行
1
余姚大工仪器 SZM系列连续变倍体视显微镜 SZM45-STL5
1
余姚大工仪器 SZM系列连续变倍体视显微镜 SZM45-STL5
已有0人购买
2
余姚大工仪器 SZM系列连续变倍体视显微镜 SZM45-STL6-HL
2
余姚大工仪器 SZM系列连续变倍体视显微镜 SZM45-STL6-HL
已有0人购买
3
余姚大工仪器 SZM系列连续变倍体视显微镜 SZM45-T1
3
余姚大工仪器 SZM系列连续变倍体视显微镜 SZM45-T1
已有0人购买
4
余姚大工仪器 SZM系列连续变倍体视显微镜 SZM45-T2
4
余姚大工仪器 SZM系列连续变倍体视显微镜 SZM45-T2
已有0人购买
5
余姚大工仪器 SZM系列连续变倍体视显微镜 SZM45T-B2
5
余姚大工仪器 SZM系列连续变倍体视显微镜 SZM45T-B2
已有0人购买
6
余姚大工仪器 SZM系列连续变倍体视显微镜 SZM45TRH
6
余姚大工仪器 SZM系列连续变倍体视显微镜 SZM45TRH
已有0人购买
7
余姚大工仪器 SZM系列体视显微镜 SZM45V-B8LS
7
余姚大工仪器 SZM系列体视显微镜 SZM45V-B8LS
已有0人购买
8
余姚大工仪器 SZM系列连续变倍体视显微镜 SZM45-B9L
8
余姚大工仪器 SZM系列连续变倍体视显微镜 SZM45-B9L
已有0人购买
9
余姚大工仪器 单筒立体显微镜 XLB45-B3
9
余姚大工仪器 单筒立体显微镜 XLB45-B3
已有0人购买
10
余姚大工仪器 单筒立体显微镜 XDN45-B3LS
10
余姚大工仪器 单筒立体显微镜 XDN45-B3LS
已有0人购买
1
上海荼明 研究级三目立体显微镜 ZOOM-T(含500万像素,索尼
1
上海荼明 研究级三目立体显微镜 ZOOM-T(含500万像素,索尼
已有2060人浏览
2
广州粤显 XPL-1 透射型偏光显微镜
2
广州粤显 XPL-1 透射型偏光显微镜
已有1756人浏览
3
上海荼明 高档倒置荧光显微镜 BXP-1109(含500万像素,索尼
3
上海荼明 高档倒置荧光显微镜 BXP-1109(含500万像素,索尼
已有1644人浏览
4
上海荼明 双目生物显微镜 BXP-102
4
上海荼明 双目生物显微镜 BXP-102
已有1559人浏览
5
余姚大工仪器 单筒立体显微镜 XDN45-B3LS
5
余姚大工仪器 单筒立体显微镜 XDN45-B3LS
已有1519人浏览
6
上海荼明 高档三目立体显微镜 ZOOM-690C(含500万像素,索尼
6
上海荼明 高档三目立体显微镜 ZOOM-690C(含500万像素,索尼
已有1484人浏览
7
上海荼明 倒置金相显微镜 CDM-20C(含500万像素,索尼芯片摄
7
上海荼明 倒置金相显微镜 CDM-20C(含500万像素,索尼芯片摄
已有1467人浏览
8
上海荼明 研究级正置透反射金相显微 CDM-806C(含500万像素
8
上海荼明 研究级正置透反射金相显微 CDM-806C(含500万像素
已有1462人浏览
9
上海荼明 单目偏光显微镜 CPT-8
9
上海荼明 单目偏光显微镜 CPT-8
已有1446人浏览
10
上海荼明 透反射偏光显微镜 CP-602C(含500万像素,索尼芯片
10
上海荼明 透反射偏光显微镜 CP-602C(含500万像素,索尼芯片
已有1387人浏览
商品详情
规格参数
包装清单
用户评价
(0)
售后服务
相关文档
商品名称:余姚大工仪器 ST-30系列体视显微镜 ST-3024R-2L
商品编号:10008804
上架时间:2018/3/16 0:00:00
商品毛重:0.00k
商品产地:余姚
商品型号:ST-3024R-2L
物镜
物镜采用变档式设计
观察头
45°倾斜,双目观察头
商品评论
10
分
您可对已购商品进行评价
积分规则
全部(0)
满意(0)
一般(0)
不满意(0)
猜你喜欢
换一批
秋龙仪器 C5508热量仪 0型橡胶密封圈 12*2
已有0人购买
上海岛津 GCMS-QP2010、QP2010S、QP2010Plus仪器常用备件 密封垫 GVF
已有0人购买
环球 CFR F-5十六烷值机水温开关表 订货号:111786
已有0人购买
唐山盛兴 柄皿 125ml 包装数量:100个
已有0人购买
上海欧尼 ON系列毛细管色谱柱 FFAP 极性柱 内径:0.2mm 长度:100m 膜
已有0人购买
邻苯二甲酸二异己酯 DIHXP Di-iso-hexyl-phthalates CAS 146-50-9
已有0人购买
阿拉丁 邻苯二甲酸氢钾 877-24-7 色谱级,>99.5% 250g
已有0人购买
上海岛津 12*32mm宽口(10-425)螺纹口样品瓶 Target样品瓶、PTFE/硅
已有0人购买
坛墨质检 西伯利亚远志糖A5,对照品 ≥98% 20mg
已有0人购买
上海岛津 GCMS-QP5050、QP5000仪器常用备件 离子源标准配件(GCMS)
已有0人购买
上海五良 J-T柱塞式计量泵 J-T2485/4.3
已有0人购买
爱尔兰Reagecon 阴离子标准液-亚硝酸盐
已有0人购买
坛墨质检 甲醇中抑霉唑溶液标准物质,有证书 100ug/ml
已有0人购买
1/8不锈钢螺母(内螺纹)SWSS2021
已有0人购买
爱尔兰Reagecon PH校正液(10.00,蓝@25°C)
已有0人购买
购物指南
购物流程
预置订单
积分规则
会员等级
支付方式
货到付款
支付宝
银联在线支付
账期支付
关于配送
配送方式
货期说明
配送范围及时间
验货与签收说明
售后服务
退换货政策
退换货流程
退款说明
特色服务
产品批量采购
二手仪器
客服中心
信息资讯收费政策
购物车
我的关注
我的足迹
产品类型
购买咨询
技术支持
售后服务
温馨提示
添加成功
*
姓 名:
请输入姓名
公司名称:
*
联系方式:
联系方式
询价标题:
询价说明:
对比栏
隐藏
<
>
载入中...